产品说明

订货号 DN54141 母线加长连接夹 630 A
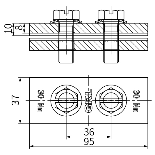
适用母线 20、25、30×5、10
产品信息 | |
产品应用 | 母线加长连接 |
适用系统 | 60mm |
订货编号 | DN54141 |
产品类型 | 连接夹 |
额定电压 | AC 690V |
额定电流 | 630A |
产品尺寸 宽×高 (mm) | 55×37 |
产品重量 | - |
适用母线 | 标准铜母线 20、25、30×5、10 |
紧定螺钉 | M12×35 |
参考标准 | IEC 61439-1 |
注:以上数据仅供参考,具体参数请咨询工程师。 | |
适用条件

适用主母线
20、25、30×5、10 矩形母线
产品优势

采用无孔连接技术,通过母线夹可直接对电缆、母线进行连接,便捷高效
尺寸图

DN54141 外形尺寸(mm)

文件下载
