产品说明

母线夹 (母线加长连接夹)
加长母线夹在母线系统中为主母线提供了标准化接口,既能安全、便捷地将两段母线相连,又能实现母线系统在配电柜之间的长度扩展。
订货信息
订货号:DN54827
适用母线:2T型 异形铜母线
安装螺栓:M8
安装扭矩:-
产品信息
额定电压:AC 690V
额定电流:1600A
产品长度:50mm
允许母线间隙:9-20
包装信息
一级包装层级:盒装
一级包装数量:6个/盒
一级包装尺寸:164mm × 92mm × 55mm
二级包装层级:箱装
二级包装数量:24盒/箱(共144个)
二级包装尺寸:340mm × 290mm × 270mm
参考标准
IEC 61439-1
适用条件

▪ 适配 60mm 母线系统
产品优势

连接夹具备极高的机械强度,防止母线发生位移、弯曲或碰撞。
连接夹能有效抵御设备长期运行带来的机械振动
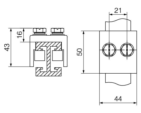
尺寸图

DN54827 外形尺寸(mm)

文件下载
