产品说明

异形铜母线(500平方*3600mm)
母线在母线系统中兼具导电与支撑的作用,采用镀锡铜排既能降低连接预处理成本、简化安装,又能抵御腐蚀,提升系统耐用性与经济性。
订货信息
订货号:DN51224
型号:DNTM2-10/10
材质:Cu ≥99.9%
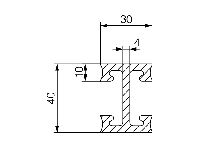
横截面:500 mm²
长度:3600 mm,表面镀锡
定制:支持裁剪
其他长度
DN51609(长度:2400 mm)
DN51395(长度:790 mm)
DN51226(长度:650 mm)
DN51396(长度:590 mm)
DN51225(长度:450 mm)
产品信息
电流:1250A
电压:690V
电阻率:≤0.017772Ω·mm²/m
RoHS
符合性声明
编号:ROHS8 120624 0003
依据:EN 62321-1:2013
EN IEC 62321-2:2021
EN 62321-3-1:2014
EN 62321-8:2017 进行测试
测试报告
编号:87.400.23.257.03-00.01
适用条件

▪ 适配 60mm 母线系统
产品优势

▪ 减少了传统布线的空间需求
▪ 镀锡处理简化安装,能抵御腐蚀
尺寸图


文件下载

如果您有任何关于合作的报价或有任何查询,请随时给我们发电子邮件scb@grlele.com或使用下面的查询表格。我们的销售代表将在24小时内与您联系。感谢您对我们产品感兴趣。
我想购买2T-500 型母线