产品说明

本产品适用于电池系统,额定电压为DC1500V,额定电流为100A~1000A,作为电池及电池系统短路保护之用。
额定电压 | DC1500V |
额定电流 | 100A-1000A |
保护类别 | aBat |
分断能力 | 250kA |
时间常数 | (1-3)ms |
参考标准 | GB/T 13539.7 IEC 60269-7 |
认证标志 | CE TUV |
适用条件

适用于储能、电力行业。作为电池及电池系统的短路电流保护。
产品优势

提供部分范围保护,覆盖100A-1000A电流范围
挂钩型(触刀转90°)的安装形式,适用高频维护的使用场景
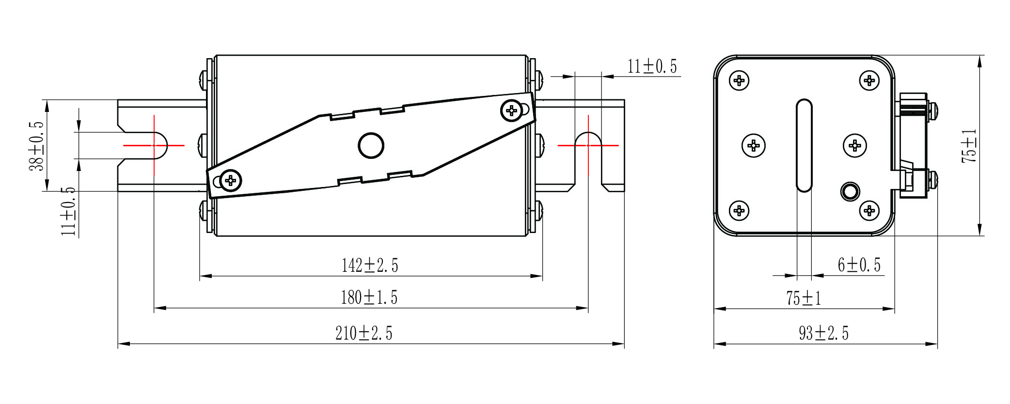
尺寸图

DNESS3-S8Q 外形及安装尺寸(mm)

如果您有任何关于合作的报价或有任何查询,请随时给我们发电子邮件scb@grlele.com或使用下面的查询表格。我们的销售代表将在24小时内与您联系。感谢您对我们产品感兴趣。
我想购买DNESS3-S8Q