产品说明

异型铜母线是一种定制化生产的非矩形截面排状导体,在电力系统中用于汇集、分配和传输电能的核心导电部件,主要作用是实现不同电路间的电能传递。
参数 | |
载流量(母线温度65℃) | 320A |
产品材料 | T2紫铜,铜含量≥99.9% |
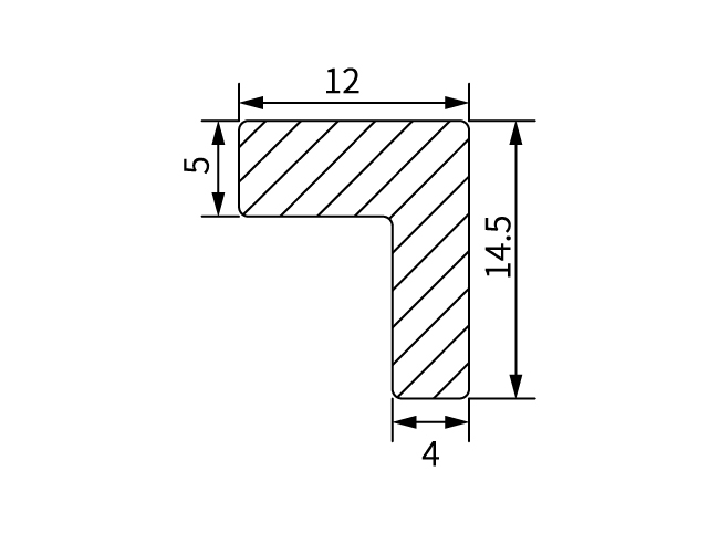
截面积 | 100mm² |
| |
适用条件

母线系统 30 mm
产品优势

免预处理,精简操作流程
物理屏障,隔绝腐蚀物质
尺寸图


订货号及对应型号规格
S表示母线的截面积,L表示母线的长度
DN51001:S=100mm²,L=2400mm;
在此基础上,我们还可以根据需求,按照图纸进行切割定制。
文件下载
